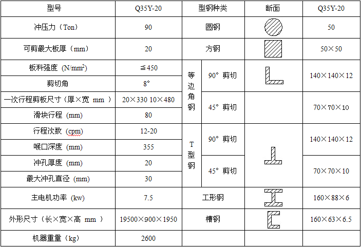
名称:多功能液压联合冲剪机
型号:Q35Y-20
冲压力:90(Ton)
可剪最大板厚:20(mm)
板材强度:≤450(KN/CM)
一次行程剪板尺寸:20x330 10x480(厚X宽mm)
滑块行程:80(mm)
行程次数:12-20(t/min)
喉口深度:355(mm)
冲孔厚度:20(mm)
最大冲孔直径:30(mm)
主电机功率:7.5KW
外形尺寸:1950x900x1950(mm)
机器重量:2600(kg)
该机器采用液压传动,是目前国内联合冲剪机最新产品,能对板材、方钢、圆钢、角钢、槽钢、
工字钢进行剪切、冲孔、模剪,并配备剪切挡料装置。
联合冲剪机Q35Y-20参数:



